壹定发
首页
关于壹定发
>
壹定发简介
发展历程
集团背景
产品中心
>
服务支持
>
区域联系
售后服务
资料下载
新闻速递
>
新闻动态
活动照片
加入壹定发
>
人才战略
岗位招聘
联系壹定发
>
简体中文
English
首页
关于壹定发
>
壹定发简介
发展历程
集团背景
产品中心
>
服务支持
>
区域联系
售后服务
资料下载
新闻速递
>
新闻动态
活动照片
加入壹定发
>
人才战略
岗位招聘
联系壹定发
>
EN
天猫商城
京东商城
扭力 倍增器
产品单页
返回列表
■
多种连接方式
■
采用特殊工艺制作,确保输出稳定
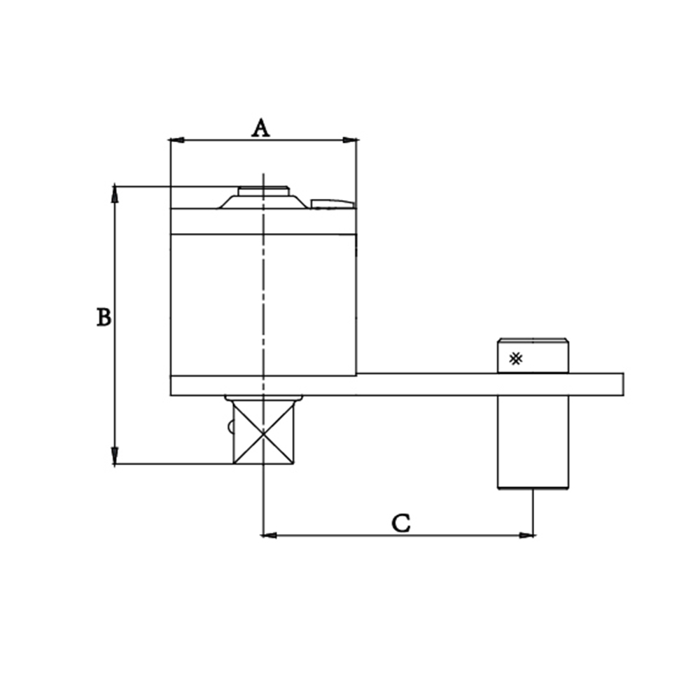
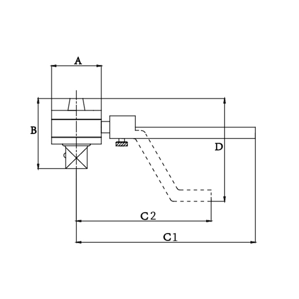
编号
规格
(N.m)
重量
(kg)
A
(mm)
B
(mm)
C
(mm)
D
(mm)
驱动—输出
倍比
反力臂重
(kg)
包装数量
E0991
1000
2.75
71
85
245/175
130
1/2
1:3.3
0.77+0.63
1